INCH-POUND MS90908C
09 May 2011
SUPERSEDING MS90908B (AT)
10 December 1982
DETAIL SPECIFICATION SHEET
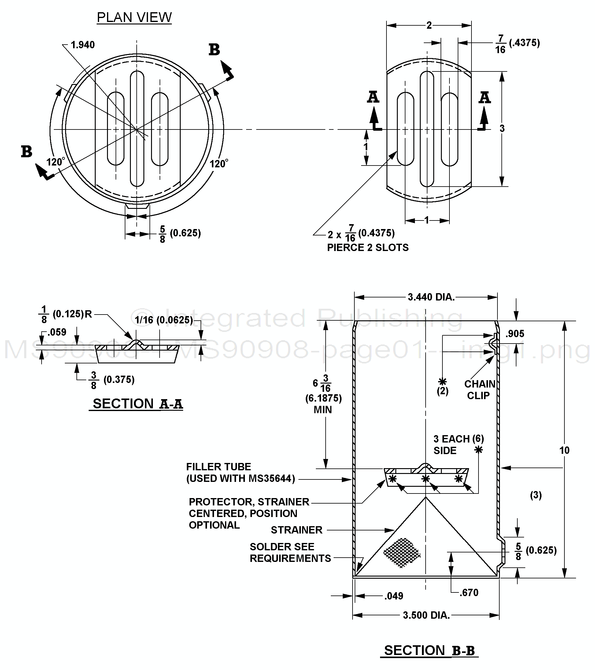
FILLER TUBE, FUEL TANK - MILITARY VEHICLES
Inactive for new design after 22 January 1999.
This specification is approved for use by all Departments and Agencies of the Department of Defense. The requirements for acquiring the product described herein shall consist of this specification sheet.

FIGURE 1. Filler tube.
ASMC N/A FSC 2910
For Parts Inquires call Parts Hangar, Inc (727) 493-0744
© Copyright 2015 Integrated Publishing, Inc.
A Service Disabled Veteran Owned Small Business